Skip to main content
📅 The 2026 Circuit Sculpture Calendar is now available —
order here
!
Mohit Bhoite
Sculptures
Tutorials
Blog
About
FAQ
Store
2021
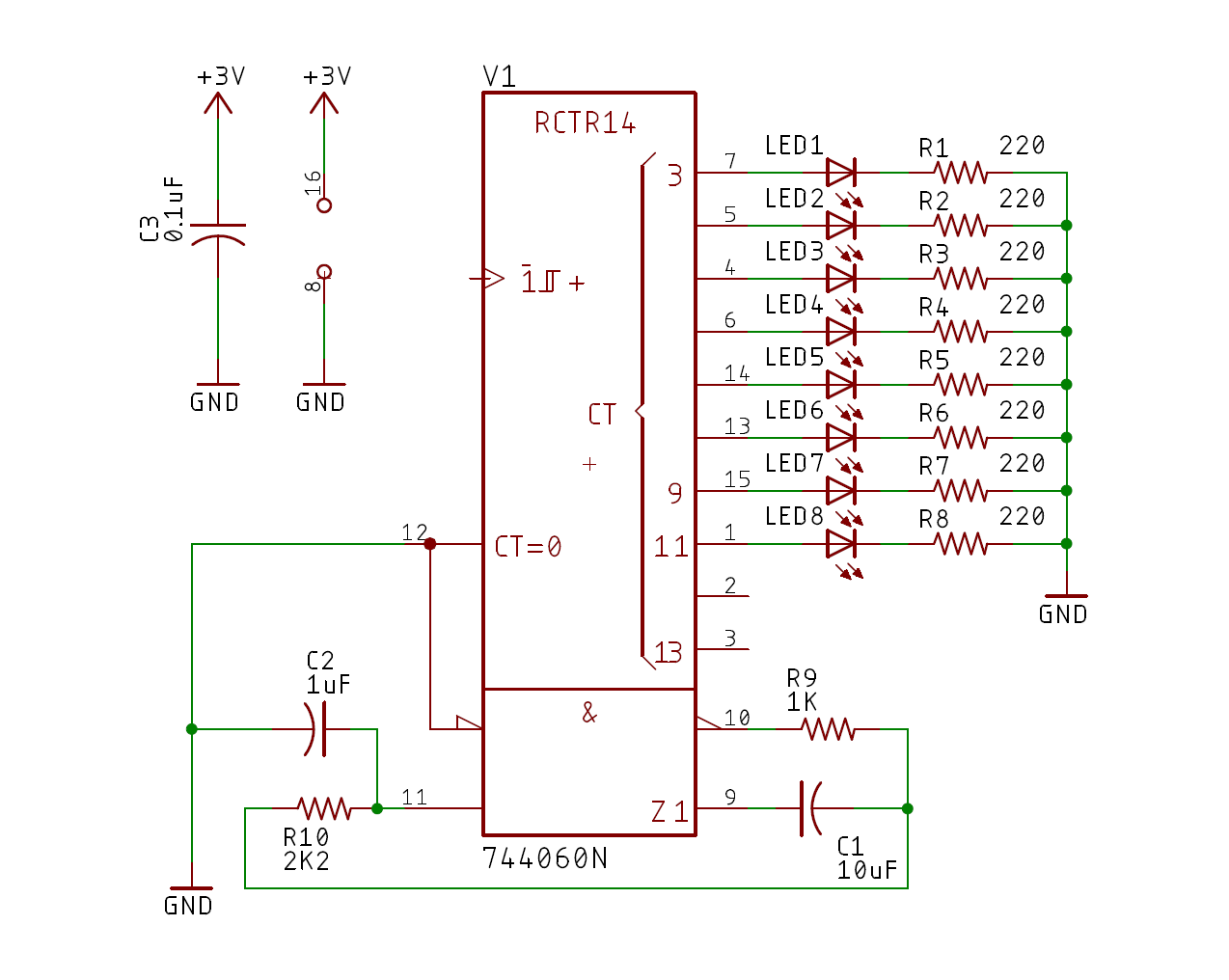
BCD Counter
BCD Counter
Previous
2021
Next
BJT LED Flasher